• info@linflow.co.id
  • 07:30 – 16:30


Pelatihan Water Meter Tester

Thumb

Water Meter Tester

"Water Meter Tester”, adalah alat uji Meter Air mobile elektronik, dengan pembacaan digital pada display LCD dilengkapi dengan tombol operasional pada alat tersebut.

"Water Meter Tester”, dirancang khusus, baik dari segi bentuk, ukuran maupun fungsinya, sehingga alat tersebut menjadi Portable Test Bench yang bisa digunakan baik di laboratorium maupun dilapangan.

"Water Meter Tester”, bisa menguji meter air ukuran 1/2” langsung pada satuan sambungan rumah dilapangan, tanpa harus membongkar instalasi yang sudah terpasang.

"Water Meter Tester” ini dilengkapi “Sertifikat” yang dikeluarkan oleh Lab. Teknis Independent.

Data Teknis

  • Display LCD backlight 4 x 20 chr
    • - Flowrate ( ℓ/j )

      - Volume (ℓ) ; resolusi : 0,01 liter

      - Pressure (bar)

      - Supply (v)

  • Tekanan max : 10 bar
  • Flowrate max : : 1.500 ℓ / j
  • Power : 12 v-DC rechargeable
  • Berat : 3 Kg ( Basic Unit )
  • Dimensi : ( L x W x H ) 258 x 82 x 190 mm
  • Aksesoris : Tas alat ; Baterai charger ; Buku petunjuk

Kurva Akurasi

Thumb

Tampilan Display

Thumb

Prosedur Pemakaian

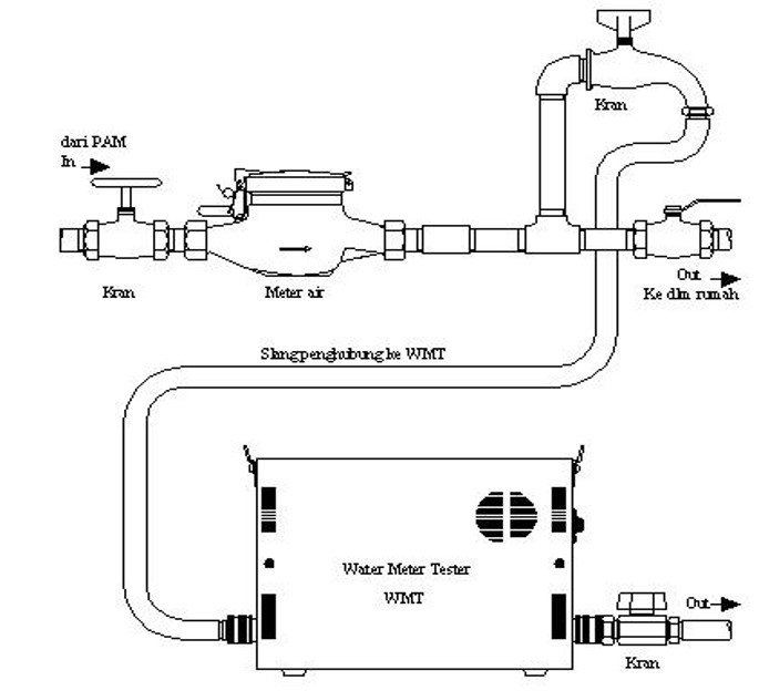
  • Tutup kran utama dari PDAM dan pastikan tidak ada aliran kesaluran dalam rumah, sehingga aliran air yang terukur melalui meter air terjamin sama kealiran alat WMT.
  • Hubungkan bagian dari pipa output meter air dengan input pada WMT dengan menggunakan slang yang tersedia, sedangkan pada bagian output WMT dihubungkan ke penampungan.
  • Posisi kran WMT terbuka, kemudian buka kran utama, biarkan air mengalir sesaat agar tidak ada udara pada aliran air.
  • Tutup kran WMT , tekan tombol power “ON” (besarnya tekanan statis air dapat dilihat pada display).
  • Tekan tombol reset agar penunjukan volume awal “0” catat stand awal angka pada meter air.
  • Buka penuh kran WMT, kemudian amati volume pada WMT yang di inginkan, apabila volume yang ditentukan telah tercapai, tutup kran WMT hingga tidak ada aliran air yang keluar. Catat stand angka ahir pada meter air, lalu bandingkan besarnya volume antar meter air dengan WMT.
  • Bila terjadi nilai selisih dari kedua volume tersebut, hasilnya menujukan penyimpangan volume pada meter air terhadap jumlah volume yang seharusnya.
  • Untuk dapat menegaskan hasil pengujian tadi gunakanlah formulir data pengukuran yang sudah disediakan.
  • Apabila pengukuran sudah selesai, switch power diposisi “OFF” dengan cara menekan tombol power beberapa saat hinga display indikator mati, dan pengujian dapat dilakukan secara berulang. Untuk setiap pengujian berulang pada meter air yang sama dapat dilakukan dari prosedur no 5 s/d no 7.

Instalasi Alat Water Meter Tester di Lokasi pelanggan

Thumb

Perawatan

  • Jaga agar bagian luar alat ini tetap bersih dan kering.
  • Pakai silika gel pada bagian alat untuk menghindari kerusakan pada komponen elektronik yang disebabkan oleh pengaruh kelembaban.
  • Bersihkan bagian dalam saluran air dengan mengalirkan air bersih, agar sisa kotoran yang mengendap pada waktu pengujian terbuang.
  • Aktifkan alat (± 10 menit) dalam seminggu atau sekurang-kurangnya 1 kali dalam satu bulan, agar komponen elektronik terangsang aktif.
  • Hindari pemakaian atau penyimpanan dari daerah medan magnit yang tinggi, misalnya load speaker, trafo daya dan motor listrik aktif.
  • Tutup saluran input dan output air apabila tidak dipakai.
  • Sumber daya batere dijaga konstan 12 V, baik sedang dipakai atau tidak, agar batere tetap berfungsi dengan baik.

Pengisian Baterai

  • Pengisian batere harus dilakukan setelah alat selesai dipergunakan dilapangan atau pada keadaan dimana nilai tegangan batere pada display WMT, penujukannya hampir mendekati 11 V DC.
  • Hubungkan konektor output dari unit batere charger ke terminal input batere charger yang terdapat pada WMT dalam keadaan WMT dan batere charger posisi “OFF”.
  • Aktifkan switch ON unit batere charger dan juga alat WMT. Nilai tegangan batere pada saat pengisian ini dapat dilihat pada panel display WMT. Indikator lampu led pada unit batere charger akan berkedip menunjukan aktifias pengisian arus batere.
  • Unit batere charger bekerja mengatur besarnya arus pengisian batere secara otomatis dan proporsional (pada saat awal arus pengisian besar dan selanjutnya secara bertahap berkurang/berhenti, sebanding dengan kenaikan level tegangan batere).
  • Kamampuan pengisian arus maximum batere charger dibatasi sedemikian rupa untuk menghindari kemungkinan over curent.

Contoh Pengisian Baterai

Thumb